Почему
забытая? И что это вообще за наука? По определению, радиометеорология
- это наука о связи метеорологических (погодных) процессов с
процессами распространения радиоволн в атмосфере. Однако смысл,
вкладываемый в это определение, несколько раз менялся на протяжении
истории развития радиотехники.
Вспомним,
что первый радиоприемник А.С.Попова использовался в качестве
грозоотметчика, т.е. первое практическое применение радио было
радиометеорологическим! Наблюдение атмосфериков - импульсов
радиоизлучения, вызванных грозовыми разрядами, получило довольно
широкое распространение в двадцатые - тридцатые годы. Был известен,
например, прибор Люжона, названный атморадиографом, и представлявший
собой усовершенствованный грозоотметчик Попова объединенный
с метеорологическим анемокинемографом [1].
Наблюдения велись на сверхдлинных волнах (частоты в десятки
килогерц) имеющих большую дальность распространения, так что
можно было регистрировать удаленные очаги грозовой деятельности,
в том числе и тропические.
В годы
второй мировой войны, когда Швейцария оказалась отрезанной от
источников метеорогической информации, благодаря наблюдениям
атмосфериков удавалось регистрировать возникновение циклонов
даже у берегов Флориды. Пересекая Атлантику, эти циклоны потом
определяли погоду в Европе. Позднее для более точного местоопределения
очагов атмосфериков группа Люжона организовала в 1957...59гг
наблюдательные пункты в Цюрихе и на Шпицбергене. Пеленгация с
базой в 4200 км позволила засекать грозы почти всего северного
полушария.
Техника наблюдения атмосфериков значительно усовершенствовалась,
появились приемники-пеленгаторы с индикацией приходящих импульсов
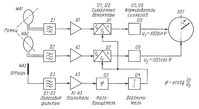
не на слух, а на экране ЭЛТ. Структурная схема современного грозопеленгатора
показана на рис.1 [2].

рис.1
Это
приемник прямого усиления, содержащий три идентичных канала с
полосовыми фильтрами Z1-Z3, настроенными
на принимаемую частоту (например 27 кГц) и усилителями А1-А3.
Два канала получают сигнал от срещенных под прямым углом рамочных
антенн WA1 и WA2
(с равным успехом можно использовать магнитные), а третий - от
всенаправленной штыревой антенны WA3.
Сигнал третьего канала ограничивается по амплитуде ограничителем
U4 и служит как опорный для работы двух
синхронных детекторов U1 и
U2, установленных в первых двух каналах.
На
выходах синхронных детекторов демодулированные сигналы пропорциональны
синусу и косинусу угла прихода радиоволн. Подав их, после соответствующего
усиления и формирования в устройствах U5 и U6,
на пластины горизонтального и вертикального отклонения ЭЛТ,
мы получаем угол отклонения луча, пропорциональный арктангенсу
отношения напряжений в каналах с рамочными антеннами, т.е.
азимуту угла прихода волн. Первоначальная юстировка пеленгатора
осуществляется поворотом рамочных антенн и фазовращателем U3 в
цепи опорного сигнала.
Как
видим, пеленгатор достаточно прост, не содержит подвижных устройств
для поворота антенн, тем не менее позволяет определять азимут
с довольно высокой точностью. Атмосферик на экране наблюдается
в виде выброса луча из центра экрана в направлении, соответствующем
азимуту, причем длина выброса соответствует амплитуде атмосферика.
Таким образом, формируется полярная диаграмма интенсивности
атмосфериков. Тайфуны и ураганы дают на ней острый резкий максимум,
фронтальные же области гроз - широкий максимум по направленности
и меньший по интенсивности [1].
Техника
грозопеленгации как-то не получила должного освещения в отечественной
литературе, а в радиолюбетельской - и совсем отсутствует. В то
же время предсказания гроз, ураганов, шквалов, ливней и наблюдения
за ними чрезвычайно важны, особенно в сельской местности. Думается,
что здесь широкое поле деятельности для радиолюбителей.
Другой
аспект радиометеорологии связан с наблюдениями за прохождением
сигналов радиостанций в атмосфере. До Великой отечественной войны,
в 20-е...30-е годы связь радиоприема с погодой считалась как
бы даже само собой разумеющейся, что отражено даже в некоторых
приметах, сформулированных радистами: «хорошая погода -
плохой прием, плохая погода - хороший!». Тогда-же были
выполнены многие работы и исследования связи распространения
длинных, средних и коротких волн (ДСКВ) с метеоусловиями. Широкое
участие в них принимали радиолюбители: Г.И.Казаков (Ташкент),
М.А.Бенашвили (Тбилиси), Л.С.Леонов и А.П.Щетинин (Москва). Их
наблюдения дали очень ценные результаты, но теперь о них мало
кто знает.
Во
время войны было не до радиометеорологии, в то-же время бурно
развилась радиолокация, были освоены диапазоны дециметровых,
сантиметровых, а потом и миллиметровых волн. Потом, уже в 50-е...60-е
годы было теоретически и экспериментально исследовано дальнее
распространение УКВ за счет рефракции в тропосфере, рассеяния
на тропосферных неоднородностях, существование тропосферных
волноводов. Были получены радиолокационные отражения от облаков,
зон осадков, и даже от «ясного неба» - участков
тропосферы с большими флуктуациями индекса преломления.
Сформировалась
уже «третья» радиометеорология, изучающая распространение
и отражение УКВ в тропосфере [3].
К ней же часто относят изучение атмосферы с помощью шаров-зондов
с радиопередатчиками, вспомним знаменитый радиозонд системы
проф. Молчанова, конструкцию настолько удачную, что много лет
он использовался на большинстве отечественных метеостанций.
Но, как справедливо замечено в [1],
это чистой воды аэрология, поскольку шар-зонд иследует параметры
атмосферы (температуру, давление, влажность и т.д.), а радиоволны
используются только для передачи телеметрической информации,
да для определения координат шара радиолокатором.
Именно
эта радиометеорология, да плюс еще радиолокационная метеорология
и стали главенствующими в послевоенные годы, полностью вытеснив
и предав забвению ту, старую радиометеорологию, относящуюся
к ДСКВ. Этому-же нечаянно поспособствовали и отцы-основатели
радиотехники Педерсен и Остин, еще в 1927...31 гг. высказавшись
за независимость распространения ДСКВ от метеоусловий (на самом
деле их вывод сделан по наблюдениям европейских станций в Америке,
а на таких просторах можно найти любую погоду [1],
поэтому зависимости и быть не может).
С тех
пор в науке о распространении радиоволн утвердились положения,
которые можно найти в любом учебнике: распространение ДСКВ с
погодой не связано, параметры ионосферы определяются только процессами
на Солнце да магнитным полем Земли, а дальнее распространение
ДСКВ - только ионосферой. Влияние же тропосферы наблюдается только
на УКВ и СВЧ.
В этих
положениях был непоколебимо уверен и автор данных строк в молодости,
несмотря на то, что должен был-бы знать о распространении радиоволн
почти все, поскольку закончил аспирантуру на кафедре распространения
радиоволн и антенн МФТИ, руководимой в то время известным основоположником
расчета ионосферных КВ радиотрасс проф. А.Н.Казанцевым. Но жизнь
вносит свои коррективы, и несколько случаев из практики сильно
поколебали уверенность автора в независимости распространения
ДСКВ от метеоусловий.
Первый
случай произошел на геодезическом полигоне под Серпуховым, в
100 км южнее Москвы. В летний полдень, слушая московскую радиостанцию
на длинных волнах, автор с удивлением обнаружил колебания уровня
сигнала с размахом более 12 дБ и с периодичностью в несколько
секунд! Помогло то, что прием велся подручными средствами - на
измеритель уровня помех, в котором не было АРУ, зато был стрелочный
индикатор уровня входного сигнала. Фединги на ДВ при распространении
на небольшое расстояние земной волной? Быть такого не может!
Однако стрелка упрямо ходила по всей шкале. В полном недоумении
выйдя из палатки с приемником, автор обнаружил на небе обширную
и красивую грозовую тучу, надвигающуюся с юга. Сопоставление
скорости движения тучи с длиной волны ясно показало, что фединги
были вызваны интерференцией обычной земной волны и другой волны,
отраженной от тучи.
Другой
случай несколько лет не находил удовлетворительного объяснения
и не совсем ясен до сих пор. Он произошел на гидрографическом
судне, проводившем работы в проливах между Курильскими островами.
Несмотря на отдаленность, эфир был довольно полон: на СВ масса
японских радиовещательных станций, на ДВ хорошо были слышны Хабаровск,
Петропавловск-Камчатский, Владивосток и Магадан. Но вот в одно
прекрасное утро (как всегда туманное) приемник в кают компании
отказался принимать хоть что-нибудь на ДВ и СВ, и автора позвали
его починить. Но приемник был в исправности! Прослушивание эфира
на большом связном приемнике у радистов показало, что сигналы
упомянутых радиостанций поглощались практически полностью, лишь
несущая Петропавловска принималась, скорее угадывалась в телеграфном
режиме балла на два. Оживал эфир лишь на частотах выше 3...4
МГц, где наблюдалось нормальное для КВ прохождение. Дня три на
ДСВ было «глухо как в танке» и лишь постепенно прохождение
восстановилось.
Через
много лет к автору попала замечательная книга [1] Дмитрия
Николаевича Насилова, ученого из МГУ, написанная, главным образом,
по результатам довоенных исследований. Впервые в литературе
автор прочитал об аналогичном случае, произошедшем совсем в
другом месте Земного Шара - во время рейса экспедиционного
судна «Персей» от Архангельска к Земле Франца-Иосифа.
Было обнаружено, что при выходе из теплого течения Гольфстрим
в холодные арктические воды все расположенные к югу радиостанции
стали едва слышимы или пропали совсем. Но при подходе к ЗФИ
слышимость восстановилась, в то же время гидрологи отметили
появление еще одной теплой струи Гольфстрима. Наблюдатели объяснили «зону
молчания» рефракцией радиоволн на мощном и обширном слое
тумана над теплым течением, вторгающимся в холодные воды. Заметим,
что на Курилах ситуация аналогична: теплое течение Куро-Сио,
идущее от японских островов, сталкивается с холодными водами
Охотского моря.
Объяснение
Курильско-Кольского эффекта тогда не было поддержано авторитетными
учеными, да и до сих пор многие подобные факты не включены в
учебники по распространению радиоволн. Но факты - упрямая вещь,
и эксперименты показывают, что на ДСКВ также наблюдаются явления
рефракции, отражения и волноводного распространения, как и на
УКВ. В этом плане огромный интерес представляют наблюдения за
напряженностью поля радиовещательных станций. Так, например,
американский исследователь Р.Колвелл, находясь в 170 км от г.Питсбурга
и измеряя напряженность поля его радиостанции на волне 305м,
установил 98% корреляцию с погодными условиями. Его-же группа
в 1939г. экспериментально получила отражения на КВ (частоты 1614
и 3492,5 кГц) от тропосферных слоев, находящихся значительно
ниже ионосферного слоя Е, даже на высотах 1...2,3 км! Измеренные
значения коэффициента отражения составляют: порядка 10-4 для
тонких облаков в виде дымки, всегда имеющихся на высотах 12...16
км, порядка 0,001...0,05 для облаков теплого фронта, и могут
возрастать до 0,7 (!) для тяжелых кучевых и грозовых облаков,
часто сопровождающих холодный фронт.
Колебания напряженности поля радиостанций при грозах отмечались
очень многими - в качестве примера на рис.2 приведена запись радиостанции
г.Киев (1209,6 м), выполненная киевским-же радиоприемным пунктом
при хорошей погоде (рис.2, а) и при грозе (рис.2, б) [1].

рис.2
Колебания
можно объяснить появлением областей повышенной ионизации воздуха
на небольших высотах. Но и в отсутствие гроз приближение теплого
фронта, например, дает общий рост напряженности поля на ДСВ, тогда
как холодный фронт вызывает резкие колебания, фединги и может
привести даже к пропаданию сигнала.
В
тропосфере наблюдаются и нелинейные эффекты, проявляющиеся
в виде «накладок» на
несущую принимаемой радиостанции. М.А.Бенашвили в 1938г. предложил
определять расположение атмосферных фронтов по характеру «накладок» на
сигналы ДСВ радиостанций, принимаемых с различных направлений
и расстояний. Так, холодный фронт на пути радиоволн порождает
трески и щелчки, теплый фронт - шорохи, сплошной фон. Кстати,
частое наличие «фона» и даже «воя» хорошо
знакомо коротковолновикам, работающим в диапазоне 160 м.
В
небольшой статье невозможно пересказать множество интереснейших
явлений, проявляющихся при внимательном прослушивании эфира
и изучении процессов распространения радиоволн. Цель статьи
- привлечь внимание радиолюбителей, и особенно, радиолюбителей-коротковолновиков,
много времени проводящим за приемниками и радиостанциями, к
этим полузабытым явлениям, как-то потерявшимся в наш век компьютеров,
спутниковой связи и засилья радиотехнического ширпотреба в
виде плееров, CD-проигрывателей и
тому подобного. А нелишне напомнить, что даже космическое радиоизлучение
было открыто простыми радиоинженерами, выполнявшими обычную,
будничную работу по измерению радиопомех, а дальнее распространение
КВ - радиолюбителями, которым этот диапазон был отдан «за
ненадобностью».
Литература:
1. Насилов Д.Н. Радиометеорология.
-М.: Наука, 1966.
2. Бару Н.В. и др.
Радиопеленгаторы - дальномеры ближних гроз. -Л.: Гидрометеоиздат,
1976.
3. Бин Б.Р. и Даттон
Е.Дж. Радиометеорология. -Л.: Гидрометеоиздат, 1971.
г.Москва